近几年因机房或数据中心起火、爆炸等事故发生的经济纠纷越来越多,由此也带来不良影响,设备安全规范安装是重要前提。
有数据表明蓄电池进行规范安装和维护,后期事故率极低,需要施工和使用单位引起重视。
UPS系统蓄电池安装的电击防护
UPS系统蓄电池安装期间隔离保护措施包括:防止直接接触或间接接触保护。
1、直接接触防护在安装蓄电池时,防止直接与带电部件接触。
适用的防护措施包括:
1 对带电部件进行绝缘处理;
2 设置屏障或围栏;
3 设置障碍物;
4 放置在人员接触不到的地方。
标称电压不天于DC 60V的电池则不需要采取直接接触防护。
2)间接接触防护
在安装蓄电池时应按GB/T16895.21—2020 的规定进行间接接触防护。\在下列措施中选择一个或多个进行间接接触防护:
1 通过自动切断电源进行防护;
2 使用二类设备或等效绝缘进行防护;
3 通过不导电的环境进行保护(仅适用于特定场景);
4 通过不接地的等电位连接进行防护(仅适用于特定场景);
5 通过电气隔离进行防护。
附属设备随机技术资料是否齐全。
常见技术资料:产品合格证、使用手册、认证证书及报告、配电系统图、平面布局图等相关技术资料。
2.蓄电池的直流防护装置有哪些
蓄电池的直流防护使用下列直流防护装置。
a 保险丝。
b 过电流保护装置。
c 适用于直流电的剩余电流动作保护器和差动保护装置(KCD)。剩余电流动作保护装置满足GB/T6829—2017规定的要求。
d 绝缘监测装置(例如在IT系统中)
e 故障电压动作保护器(按照GB/T16895.21—2020)。
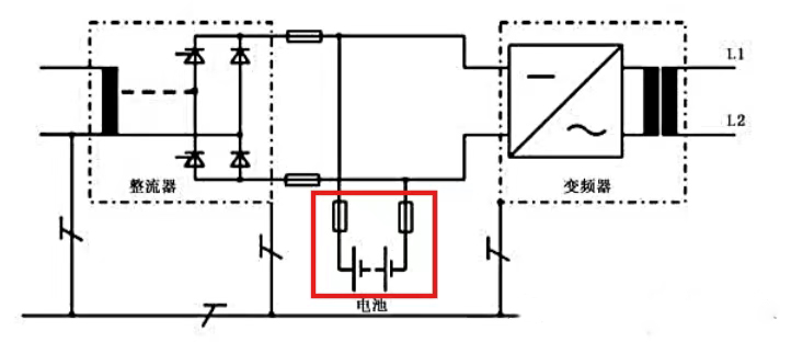
3.蓄电池组配置2P还是1P开关
UPS系统中的蓄电池直流系统属于交流装置中的直流回路,参考配电IT系统防护,在通向电池的所有导体中都应配备过电流保护
装置。所以应配置2P开关,当配置保险丝时正负级也都需要配置。如图所示:
